
咨詢熱線:
15231779605
聯系人:許靜
手機:17320745790
電話:0317-8288830
傳真:0317-7773773
郵箱:3003200914@qq.com


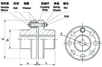
概 述
FCL型彈性套柱銷聯軸器的特點是結構簡單,安裝方便,更換容易,尺寸小,重量輕,因而得到廣泛使用,如若安裝調整后能保持兩軸相對位移量在規定的范圍內,則聯軸器會有滿意的使用性能和較長的工作壽命。因此能廣泛用于載荷不大,由電動機驅動的各種中、小功率傳動軸系中,如減速機、起重機、壓縮機、輸送機、紡織機、卷揚機、球磨機等。
彈性套柱銷聯軸器的許用相對位移: 徑向位移:0.2~0.6mm 角位移:0°30′~1°30′
|
型號 Type |
許用轉矩 Max torque N.m |
許用轉速 Max speed r/min |
D | D 1 | d 1 | L | C | n-M |
重量 kg |
| FCL90 | 4 | 4000 | 90 | 35.5 | 11 | 28 | 3 | 4-M8×50 | 1.7 |
| FCL100 | 10 | 4000 | 100 | 40 | 11 | 35.5 | 3 | 4-M10×56 | 2.3 |
| FCL112 | 16 | 4000 | 112 | 45 | 13 | 40 | 3 | 4-M10×56 | 2.8 |
| FCL125 | 25 | 4000 | 125 | 50 | 13 | 45 | 3 | 4-M12×64 | 4.0 |
| FCL140 | 50 | 4000 | 140 | 63 | 13 | 50 | 3 | 6-M12×64 | 5.4 |
| FCL160 | 110 | 4000 | 160 | 80 | 15 | 56 | 3 | 8-M12×64 | 8.0 |
| FCL180 | 157 | 3500 | 180 | 90 | 15 | 63 | 3 | 8-M12×64 | 10.5 |
| FCL200 | 245 | 3200 | 200 | 100 | 21 | 71 | 4 | 8-M20×85 | 16.2 |
| FCL224 | 392 | 2850 | 224 | 112 | 21 | 80 | 4 | 8-M20×85 | 21.3 |
| FCL220 | 618 | 2550 | 250 | 125 | 25 | 90 | 4 | 8-M24×110 | 31.6 |
| FCL280 | 980 | 2300 | 280 | 140 | 34 | 100 | 4 | 8-M24×116 | 44.0 |
| FCL315 | 1568 | 2050 | 315 | 160 | 41 | 112 | 4 | 10-M24×116 | 57.7 |
| FCL355 | 2450 | 1800 | 355 | 180 | 60 | 125 | 5 | 8-M30×50 | 89.5 |
| FCL400 | 3920 | 1600 | 400 | 200 | 60 | 125 | 5 | 10-M30×150 | 113 |
| FCL450 | 6174 | 1400 | 450 | 224 | 65 | 140 | 5 | 12-M30×150 | 145 |
| FCL560 | 9800 | 1150 | 560 | 250 | 85 | 160 | 5 | 14-M30×150 | 229 |
| FCL630 | 15680 | 1000 | 630 | 280 | 95 | 180 | 5 | 18-M30×150 | 296 |
上一條:泵用彈性套柱銷聯軸器
下一條:沒有了!