咨詢熱線:
15231779605
聯系人:許靜
手機:17320745790
電話:0317-8288830
傳真:0317-7773773
郵箱:3003200914@qq.com
發布時間:2019-01-17 05:44:45 作者:天碩聯軸器 瀏覽:1187
一、聯軸器的選定要求:
1、 選擇適當的形式:根據機械特性的要求,如傳遞扭矩大小、剛度要求、振動、沖擊、耐酸堿腐蝕、傳動精度等,確定合適的類型。
2、 計算扭矩
膜片聯軸器傳遞的*大扭矩應小于許用扭矩值。*大扭矩的確定應考慮機器制動所需要加減速扭矩和過載扭矩。但是在設計時資料不足或分析困難,*大扭矩不易確定時,可按計算扭矩選用。即計算扭矩不超過許用扭矩值。
計算扭矩TC:
TC≤Tn≤Tmax
TC: 計算扭矩
Tn:公稱扭矩(許用扭矩)
Tmax:*大轉矩
TC=KT T=9550*( PW/n ) T=7020*( Ph/n )
式中:T ——- 理論扭矩,N.m
PW ——- 驅動功率,可KW
Ph——- 驅動功率,馬力
N ——- 轉速 ,rpm
K ——- 工礦系數,一般取值范圍為1.0-1.5
3、確定孔徑范圍(注:主從動軸徑不同時,應按大端直徑選用聯軸器的規格)
4、選擇軸孔及鍵(或脹緊連接套)的型式。
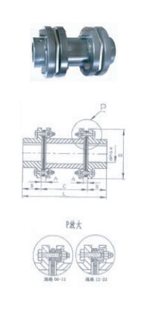
二、雙膜片聯軸器的結構

上一條:什么是開縫式聯軸器